欢迎致电:153-1256-1575
江苏丹港机械制造有限公司
Jiangsu Dangang Machinery Manufacturing Co., Ltd
产品展示
PRODUCT DISPLAY
.jpg)
GSB旋转供料器
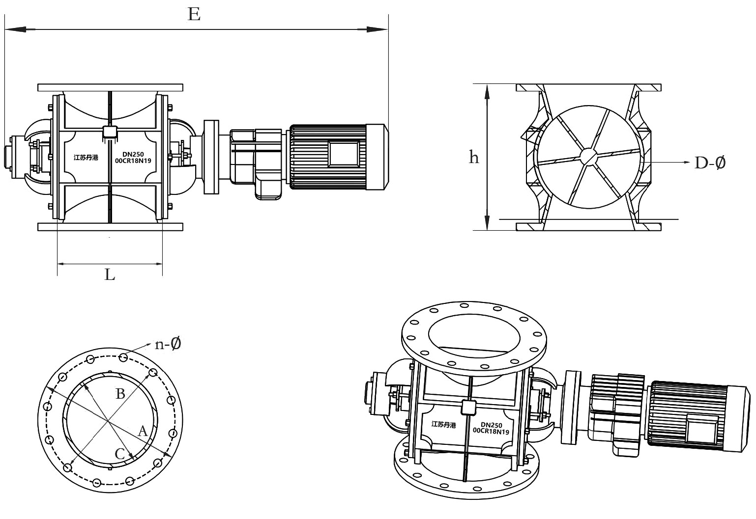
GSB旋转供料器,壳体及主要零部件采用精密铸造,外形美观,用于下料或将物料添加到不同压力的正压或负压气流输送系统中,是气力输送的必备设备轴承双外置形式,具有良好的强度及精度,轴向采用多层保护系统,通过轴气对于物料隔离,确保长期工作。
全国咨询服务热线:
18115598751
产品详情
GSB旋转供料器,壳体及主要零部件采用精密铸造,外形美观,用于下料或将物料添加到不同压力的正压或负压气流输送系统中,是气力输送的必备设备轴承双外置形式,具有良好的强度及精度,轴向采用多层保护系统,通过轴气对于物料隔离,确保长期工作。
多形式结构转子,小化的转子间隙将泄漏量降到较低值,经过特殊处理,更适用于卫生、化工、医药、锂电、食品等高要求行业,材质不锈钢。
通过标准组件和设计的不同组合,可构成多形式的转动配置选择。
技术参数:
|
公称通径C |
法兰规格 |
外形尺寸 |
|||||||||||||
|
普通法兰 |
GB/Mpa |
|
|
|
|
|
转速 |
重量 |
输送动力 |
||||||
|
DN/mm |
DN/in |
B |
A |
N-Ø |
B |
A |
N-Ø |
h |
E |
L |
D-Ø |
电极功率 KW |
R/min |
kg |
can3L |
|
50 |
2 |
85 |
125 |
4-11 |
125 |
160 |
4-18 |
175 |
512 |
95 |
100 |
0.25 |
24-43 |
65 |
1 |
|
100 |
4 |
150 |
180 |
4-11 |
180 |
215 |
8-18 |
240 |
780 |
140 |
140 |
0.37 |
24-43 |
75 |
2 |
|
150 |
6 |
200 |
240 |
6-13 |
240 |
280 |
8-22 |
300 |
860 |
180 |
200 |
0.55 |
24-43 |
90 |
6 |
|
200 |
8 |
260 |
300 |
6-13 |
295 |
340 |
8-22 |
360 |
950 |
240 |
250 |
1.1 |
24-43 |
130 |
8 |
|
250 |
10 |
300 |
340 |
8-17 |
350 |
395 |
12-22 |
400 |
1015 |
290 |
280 |
1.5 |
24-43 |
165 |
14 |
|
300 |
12 |
360 |
400 |
8-17 |
400 |
445 |
12-22 |
440 |
1100 |
340 |
300 |
2.2 |
24-43 |
230 |
18 |
|
350 |
14 |
440 |
480 |
12-14 |
460 |
505 |
16-22 |
480 |
1156 |
360 |
320 |
3 |
24-43 |
300 |
20 |
|
400 |
16 |
460 |
460 |
12-14 |
515 |
565 |
16-22 |
560 |
1255 |
400 |
360 |
3 |
24-43 |
380 |
30 |
|
450 |
18 |
520 |
560 |
16-17 |
565 |
615 |
20-22 |
620 |
1350 |
480 |
400 |
4 |
24-43 |
480 |
50 |
|
500 |
20 |
560 |
610 |
16-17 |
620 |
670 |
20-22 |
680 |
1450 |
540 |
450 |
4 |
24-43 |
590 |
60 |
|
600 |
24 |
680 |
720 |
16-17 |
725 |
780 |
20-22 |
720 |
1530 |
620 |
480 |
4 |
24-43 |
720 |
80 |


地址:丹阳市导墅镇东油村老预制场 电话:153-1256-1575
Copyright 版权所有 © 江苏丹港机械制造有限公司
备案/许可证编号:苏ICP备18003308号-2
技术支持:江苏网博
全国服务热线:
153-1256-1575
(工作时间:周一至周日9:00—18:00)